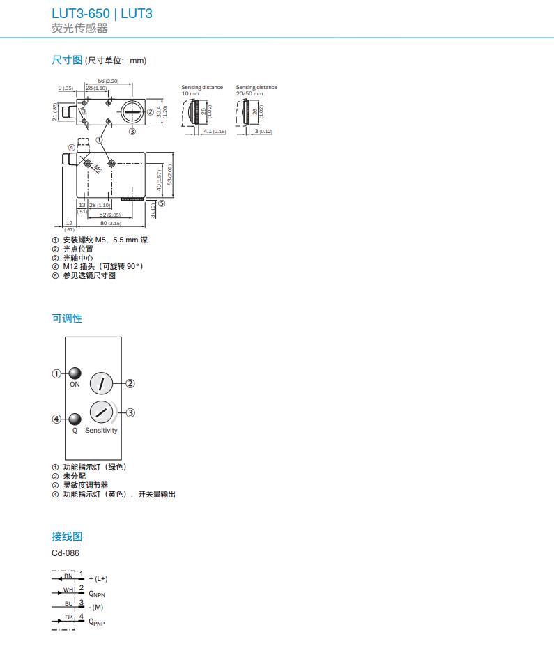
SICK西克荧光传感器LUT3-650产品详情:
SICK西克荧光传感器荧光感测器包括:
荧光传感器LUT3系列——标准应用的解决方案
无论是在包装或标签上的信息还是在安瓿上的标签,发光 LUT3-6 都能实现安全控制。为了理想地适应荧光标记,LUT3-6 发光传感器的灵敏度可以通过一个无级电位计来设置。
您的受益
l通过电位计迅速便捷的调试,节省了时间和花费
l高度的过程稳定性:滤波器消除荧光背景干扰消隐
l对于不同的扫描范围可以切换镜头,提高灵活性
特点
l坚固的金属壳体
l扫描范围 10,20 或 50 mm
l扫描范围通过更换镜头可选
lLED 发射器 UV (375 nm)
LUT8通用性好,操作简单
LUT8 的特点是操作理念清晰。LUT8 通过八级闭锁旋转开关让灵敏度,由此开关的安全和被识别的标签简单地相匹配。另外一个优势就是柱状显示,呈现标签的荧光和背景强度。
LUT9在高扫描范围内实现快速和准确的识别
通过 IO-Link 实现长扫描范围和远程监测的解决方案:发光传感器 LUT9。LUT9 的扫描范围长达 250 mm,树立了发光传感器的新方向。通过可能的传感器和物体之间的较大距离,例如在木材行业 - 便可以检测标记在不同厚度的木材的标记,无需传感器的机械调整。另外,示教功能和人工精调还确保了高度可靠的过程控制。LUT9 版本带有 IO-Link 功能,从控制,参数监控抑制到过程数据计算能够主动涉入机械可视化。特别的帮助:设备柱状图呈现荧光强度。
LUT1用于高扫描范围的紧凑传感器
荧光传感器 LUT1 的灵敏度能够通过加/减按钮任意设置。即使在高速下,它也可以识别荧光标记。LUT1B 变型发射醒目的蓝光,减少费时的传感器对准,另外由于最佳激活颜料,非常适合红色的荧光标签。
LUTM更小巧、更智能的发光传感器
更强大的荧光材料检测性能:新型 SICK 发光传感器 LUTM 凭借新的微型外壳和 IO-Link 功能而备受认可。LUTM 传感器是这些应用的理想产品:在有限的安装空间里,能够可靠地识别荧光材料。即使发光的亮度小,LUTM 依然可以通过改善的系统敏感度识别相同的标记。该迷你型荧光传感器可以通过简单的示教功能程序来设置。通过 IO-Link 功能扩展实现智能诊断和可视化以及简单快速的格式更换。凭借更高的 6 kHz 开关频率,LUTM 也适用于高效率机器。
您的受益
l精巧的外壳,即使在空间有限的地方也能够装配
l调试快捷,节省时间和花费
l更高的开关频率,提升机械生产能力
l通过 IO-Link 功能扩展实现智能诊断和可视化以及简单快速的格式更换
特点
l发光传感器集成在微型外壳内
l一个变型同时附带静态和动态编程
l即使在低照度下仍能进行可靠的检测
l开关频率:6 kHz
l工作范围:8 ...20 毫米
lIO-Link 功能
l通过带有 M12 插头的电缆可以和以前的 LUT 传感器类型兼容
荧光传感器
荧光传感器识别可见和不可见的标记,其中一些只有在 UV 灯下才可见。无论图案,颜色或表面光洁度上的任何衬底,都可以可靠地检测荧光材料和标签。发光传感器发出波长 375 nm 的UV光线。荧光材料将 UV 灯转化为长波可见光。这个返回光线被荧光传感器吸收和计算。
SICK 是工业用传感器应用程序解决方案制造商之一。1946 年名誉博士兼工程师埃尔文·西克先生在瓦尔德基尔希市创办了公司,其总部位于布赖斯高地区,紧邻弗莱堡,SICK 是工业用传感器领域的技术和市场Leader之一,拥有 50 多家子公司和分支机构及代表处。SICK 在全球拥有近 12,000 名员工,2022 财政年度,集团营业额约为 22 亿欧元。
从工厂自动化到物流自动化再到过程自动化——SICK 凭借其传感器解决方案推动行业发展。作为技术和市场优秀者,SICK 凭借传感器智能和应用解决方案奠定了理想的基础,以此实现安全有效的流程控制、防止人身事故并避免环境污染。
SICK在中国
广州市西克传感器有限公司(简称:西克中国) 成立于1994年,是SICK在亚洲的全资子公司及重要分支机构之一。历经多年的发展与积累,西克中国已成为颇具影响力的智能传感器解决方案供应商。
西克中国总部设在广州CBD珠江新城,在上海、北京、青岛、深圳、沈阳、天津、成都、苏州等地设有分支机构,配备本地客户服务中心、物流中心、技术服务中心(含智能化应用中心)、视觉实验室等核心支持中心,形成了各主要区域的机构体系和业务网络,为客户提供检测、测量、安全防护、自动识别、定位、集成控制、检测控制、技术服务、追溯系统、机器人导航系统等产品、系统、服务及综合解决方案。截至2021年,员工数量超过400人。西克中国包含西克香港的管理和运营。
技术参数




相似型号:
LUT3-620 订货号: 1015397 LUT3-610 订货号: 1015396 1015398 LUT8U-11301 订货号: 1047043 LUT8U-11401 订货号: 1047044 LUT8U-11331 订货号: 1047047 LUT8U-11201 订货号: 1047042 LUT8U-11311 订货号: 1047045 LUT8U-11701 订货号: 1047048 LUT8U-11101 订货号: 1046711 LUT8U-11321 订货号: 1047046 LUT9U-11306 订货号: 1046712 LUT9U-12206 订货号: 1046749 LUT9U-P139LS06 订货号: 1135293 LUT9U-11316 订货号: 1047052 LUT9U-11106 订货号: 1047049 LUT9U-11406 订货号: 1047051 LUT9U-P120L 订货号: 1046188 LUT9U-11326 订货号: 1047053 LUT9U-11336 订货号: 1047054 LUT9U-11606 订货号: 1047414 LUT9U-12306 订货号: 1047055 LUT9U-11206 订货号: 1047050 LUT9U-P124L 订货号: 1079119 LUT9U-P130L 订货号: 1045606 LUT9U-11216 订货号: 1082039 LUT9B-11626 订货号: 1047056 LUT1U-11331 订货号: 1024128 LUT1B-12205 订货号: 1027497 LUT1U-31231 订货号: 1028075 LUT1B-41225 订货号: 1024125 LUT1B-31325 订货号: 1027593 LUT1B-41235 订货号: 1024126 LUT1B-11325 订货号: 1024127 LUTM-UP81162P订货号: 1067295 LUTM-UN81162P 订货号: 1067296 LUTM-UP817A2P 订货号: 1067297 LUTM-UP817A1P 订货号: 1087463







